Các phương pháp tính giá thành và cách đánh giá sản phẩm dở dang

Kế toán chi phí và giá thành sản phẩm là các chỉ tiêu quan trọng trong hệ thống các chỉ tiêu kinh tế phục vụ cho công tác quản lý doanh nghiệp và có mối quan hệ mật thiết với các nghiệp vụ kế toán khác. Vậy có các phương pháp tính giá thành nào? Cách phân bổ chi phí trong kỳ và các phương pháp xác định giá trị dở dang cuối kỳ như nào để việc xác định giá thành một cách chính xác và phù hợp. Nội dung bài viết sẽ đề cập chi tiết đến các phương pháp thường được áp dụng trong các doanh nghiệp.

I. NHỮNG VẤN ĐỀ CHUNG VỀ GIÁ THÀNH SẢN XUẤT SẢN PHẨM

Trước khi tìm hiểu về các phương pháp tính giá thành sản phẩm, chúng ta cần có những kiến thức cơ bản về giá thành sản phẩm như:

1. Giá thành sản xuất sản phẩm là gì?

- Giá thành sản phẩm là biểu hiện bằng tiền toàn bộ hao phí về lao động sống và lao động vật hóa phát sinh trong quá trình sản xuất có liên quan tới khối lượng sản phẩm hoàn thành.

2. Phân loại giá thành sản xuất sản phẩm

- Theo thời điểm và nguồn số liệu có:

+ Giá thành kế hoạch

+ Giá thành định mức

+ Giá thành thực tế

- Theo chi phí phát sinh:

+ Giá thành sản xuất

+ Giá thành tiêu thụ

II. CÁC PHƯƠNG PHÁP TÍNH GIÁ THÀNH SẢN XUẤT SẢN PHẨM

Dưới đây chúng tôi sẽ trình bày cụ thể về các phương pháp tính giá thành sản phẩm sản xuất hiện đang được sử dụng phổ biến trong các doanh nghiệp hiện nay:

1. Phương pháp giản đơn (Phương pháp trực tiếp)

Thích hợp với loại hình doanh nghiệp sản xuất giản đơn, có số lượng mặt hàng ít, khối lượng sản xuất lớn, chu kỳ sản xuất ngắn.

 

Tổng giá thành sp hoàn thành trong kỳ

 

 

 

=

 

 

CPSX dở dang đầu kỳ

 

 

 

+

 

 

CPSX phát  sinh trong kỳ

 

 

 

-

 

 

Các khoản làm giảm chi phí

 

 

 

-

 

 

CPSX dở dang cuối kỳ

 

2. Phương pháp loại trừ giá trị sản phẩm phô

Dùng trong trường hợp cùng một quy trình sản xuất vừa tạo ra sản phẩm chính vừa cho sản phẩm phụ (sản phẩm phụ không phải là đối tượng tính giá thành và được định giá theo mục đích tận thu).

 

Tổng giá thành sp chính hoàn thành trong kỳ

 

 

 

=

 

 

CPSX SP chính dở dang đầu kỳ

 

 

 

+

 

 

CPSX phát  sinh trong kỳ

 

 

 

-

 

 

Giá trị sản phẩm phụ

 

thu hồi ước tính

 

 

 

-

 

 

CPSX SP chính dở dang cuối kỳ

 

3. Phương pháp phân bước

Áp dụng với các doanh nghiệp mà quá trình sản xuất sản phẩm được thực hiện ở nhiều bộ phận sản xuất, nhiều giai đoạn công nghệ, đối tượng tập hợp chi phí sản xuất là các bộ phận, chi tiết sản phẩm hoặc giai đoạn công nghệ hay bộ phận sản xuất. 

 

Giá thành thành phẩm hoàn thành trong kỳ

 

 

=

 

 

Giá thành SP giai đoạn 1

 

 

+

 

 

Giá thành SP giai đoạn 2

 

 

+

 

 

...

 

 

+

 

 

Giá thành SP giai đoạn n

 

4. Phương pháp hệ số

Là phương pháp được áp dụng khi trong cùng một quá trình sản xuất cùng sử dụng một thứ nguyên vật liệu và một lượng lao động nhưng thu được đồng thời nhiều sản phẩm khác nhau và chi phí không tập hợp riêng cho từng loại sản phẩm được mà phải tập hợp chung cho cả quá trình sản xuất. Theo phương pháp này, kế toán phải định ra được hệ số quy đổi cho mỗi loại sản phẩm

 

Giá thành đơn vị sản phẩm gốc

 

 

=

 

 

Tổng giá thành sản xuất của tất cả các loại sản phẩm

 

 

Tổng số sản phẩm gốc (kể cả quy đổi)

 

 

Giá thành đơn vị sản phẩm từng loại

 

 

=

 

 

Giá thành đơn vị

 

sản phẩm gốc

 

 

x

 

 

Hệ số quy đổi sản phẩm từng loại

 

Dùng trong trường hợp cùng một quy trình sản xuất có nhiều nhóm sản phẩm cùng loại. Căn cứ vào tỷ lệ chi phí giữa chi phí sản xuất thực tế với chi phí sản xuất kế hoạch (hoặc định mức), kế toán sẽ tính ra giá thành đơn vị và tổng giá thành sản phẩm từng loại

5. Phương pháp định mức

 

Giá thành thực tế sản phẩm hoàn thành trong kỳ

 

 

=

 

 

Giá thành kế hoạch (hoặc định mức) đơn vị sản phẩm từng loại

 

 

x

 

 

Tỉ  lệ chi phí (%)

 

 

Tỉ  lệ chi phí (%)

 

 

=

 

 

Tổng giá thành sản xuất thực tế của các loại sản phẩm

 

 

x

 

 

100

 

 

Tổng giá thành sản xuất  kế hoạch (hoặc định mức) của các loại SP

 

>>> Có thể bạn quan tâm: Bảng tính giá thành sản phẩm sản xuất trong doanh nghiệp

III. TẬP HỢP VÀ PHÂN BỔ CHI PHÍ PHÁT SINH TRONG KỲ

1. Quy trình tập hợp chi phí sản xuất phát sinh trong kỳ

1.1. Hạch toán hàng tồn kho theo phương pháp kê khai thường xuyên

  • Kế toán sử dụng tài khoản 154 (Chi phí sản xuất kinh doanh dở dang) để tổng hợp chi phí sản xuất phục vụ cho tính giá thành. Ngoài ra kế toán còn sử dụng các tài khoản 155,632…
  • Sơ đồ tập hợp chi phí:

 

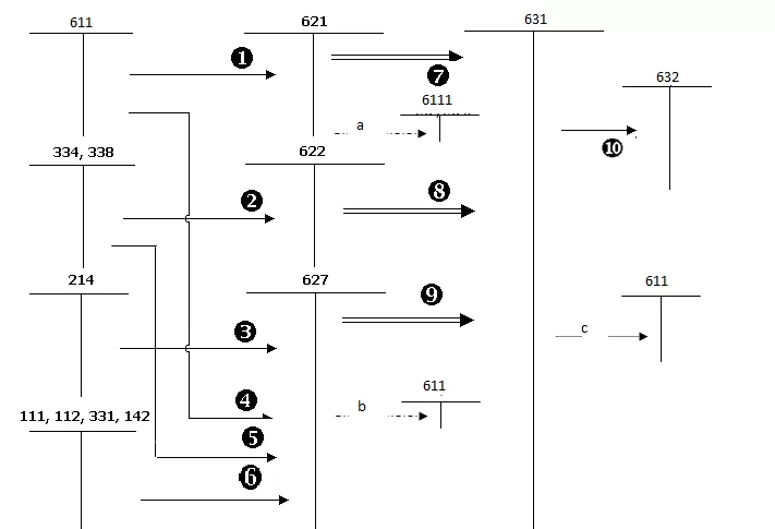
1.2. Hạch toán hàng tồn kho theo phương pháp kiểm kê định kỳ

  • Kế toán sử dụng tài khoản 631 (Giá thành sản xuất) để tổng hợp chi phí sản xuất. Phương pháp này thường sử dụng ở những đơn vị như: ngành giao thông vận tải (được hạch toán chi tiết theo từng hoạt động), kinh doanh khách sạn (theo dõi chi tiết từng hoạt động như: ăn uống, dịch vụ buồng nghỉ…), ngành nông nhiệp.
  • Sơ đồ tập hợp chi phí:

2. Đối tượng tập hợp chi phí

2.1. Tập hợp chi phí theo toàn bộ quy trình công nghệ sản xuất sản phẩm (toàn doanh nghiệp).

- Áp dụng cho các doanh nghiệp chế tạo sản phẩm với quy trình công nghệ giản đơn khép kín, tổ chức sản xuất nhiều, chu kỳ sản xuất ngắn và xen kẽ liên tục. VD: điện, nước, bánh kẹo…

- Áp dụng cho các doanh nghiệp mà trong cùng 1 quy trình công nghệ đồng thời tạo ra sản phẩm chính còn thu được các sản phẩm phụ. VD sản xuất đường…

- Áp dụng cho doanh nghiệp cùng quy trình công nghệ sử dụng 1 loại nguyên vật liệu nhưng thu được đồng thời nhiều loại Sp khác nhau. VD: xí nghiệp hóa chất, hóa dầu.

-  Áp dụng cho các doanh nghiệp trong cùng quy trình công nghệ Sx thu được nhóm SP cùng loại với chủng loại phẩm cấp khác nhau. VD: quần áo, chế biến chè…

2.2. Tập hợp chi phí theo tổ, đội sản xuất hay giai đoạn công nghệ

- Áp dụng cho doanh nghiệp có quy trình sản xuất phức tạp, liên tục, sản phẩm phải trải qua nhiều giai đoạn công nghệ. VD: dệt, luyện kim…

- DN có quy trình SX phức tạp kiểu song song, sản xuất đơn chiếc hàng loạt nhỏ theo đơn đặt hàng chu kỳ sản xuất dài riêng rẽ.

2.3. Tập hợp chi phí cho từng sản phẩm, công việc hay đơn đặt hàng.

- Áp dụng cho các doanh nghiệp sản xuất theo đơn đặt hàng, yêu cầu sản xuất riêng biệt của từng khách hàng, kỳ tính giá thành phù hợp với chu kỳ sản xuất. VD: doanh nghiệp đóng tàu.

3. Phân bổ chi phí sản xuất phát sinh trong kỳ

- Bên cạnh những chi phí phát sinh xác định trực tiếp cho từng đối tượng tập hợp chi phí còn có những chi phí có liên quan tới nhiều đối tượng tập hợp chi phí. Vì vậy cần phải đưa ra những tiêu chuẩn phân bổ chi phí cho phù hợp.

- Căn cứ vào hệ số phân bổ và tiêu chuẩn phân bổ sẽ tính được chi phí cần phân bổ cho từng đối tượng. Những chi phí cần phân bổ thường áp dụng là chi phí sản xuất chung, nhưng nếu các chi phí nguyên vật liệu và chi phí nhân công có liên quan đến nhiều đối tượng cần phải phân bổ gián tiếp.

IV. CÁC PHƯƠNG PHÁP ĐÁNH GIÁ SẢN PHẨM DỞ DANG

Sản phẩm dở dang là khối lượng sản phẩm, công việc còn đang trong quá trình sản xuất chế biến, đang nằm trên dây truyền, hoặc chưa đến kỳ thu hoạch.

1. Phương pháp đánh giá theo chi phí nguyên vật liệu chính (trực tiếp)

Theo phương pháp này chỉ tính cho sản phẩm dở dang cuối kỳ phần chi phí NVL trực tiếp, hoặc NVL chính còn các chi phí khác tính cả cho thành phẩm

Công thức:

 

CPSPDDCK

 

 

=

 

 

CP NVL của SPDD Dk + CP NVL PS  trong kỳ

 

 

x

 

 

KL SP dở dang cuối kỳ

 

 

KL SP hoàn thành + KL SP dở dang cuối kỳ

 

Ví dụ 1:

Chi phí sản phẩm dở dang đầu tháng : 1.700.000 đ

Chi phí SX trong tháng tập hợp được bao gồm:

+Chi phí NVL trực tiếp : 7.900.000 đ

+Chi phí nhân công trực tiếp :1.464.000 đ

+Chi phí SX chung :1.068.000 đ

Kết quả sản xuất: Cuối tháng nhập kho thành phẩm 100 sp hoàn thành còn 20 sp dở dang

Kế toán đánh giá spdd cuối kỳ:

 

CPSPDDCK

 

 

=

 

 

1.700.000 + 7.900.000

 

 

x

 

 

20 =1600.000

 

 

100 + 20

 

2. Phương pháp ước lượng sản phẩm tương đương

Theo phương pháp này SPDD cuối kỳ phải chịu toàn bộ chi phí sản xuất trong kỳ theo mức độ hoàn thành.

Phương pháp tính:

- Đối với những chi phí bỏ vào 1 lần ngay từ đầu quá trình sản xuất như NVL trực tiếp, NVL chính:

 

CPSPDDCK

 

 

=

 

 

CP của SPDD đầu kỳ + CP phát sinh  trong kỳ

 

 

x

 

 

KL SP dở dang cuối kỳ

 

 

KL SP hoàn thành + KL SP dở dang cuối kỳ

 

- Đối với những chi phí bỏ dần trong quá trình sản xuất như chi phí nhân công trực tiếp, chi phí sản xuất chung thì tính cho SPDD cuối kỳ theo mức độ hoàn thành:

 

CPSPDDCK

 

 

=

 

 

CP của SPDD đầu kỳ + CP phát sinh  trong kỳ

 

 

x

 

 

KL SPDD cuối kỳ tương đương  SPHT

 

 

KL SP hoàn thành + KL SPDD cuối kỳ tương đương  SPHT

 

(1)

 

Trong đó :

(1) = Khối lượng SPDD   *  Tỷ lệ chế biến đã hoàn thành cuối kỳ

Ví dụ 2: Có số liệu sau:

CP SPDD đầu tháng gồm:

+CP NVL trực tiếp :700.000 đ

+CP nhân công trực tiếp :124.000 đ

+CP sản xuất chung :186.000đ

CP sản xuất trong tháng tập hợp được:

+CP NVL trực tiếp :163000.000 đ

+CP nhân công trực tiếp :5.276.000 đ

+CP sản xuất chung :6.114.000 đ

Cuối tháng hoàn thành nhập kho 160 thành phẩm , còn 40 sản phẩm dở dang mức độ hoàn thành 50%

Kế toán đánh giá sản phẩm dở dang cuối kỳ:

+ Chi phí NVL trực tiếp của sản phẩm dở dang cuối kỳ:

 

CPSPDDCK

 

 

=

 

 

700.000 + 163.000.000

 

 

x

 

 

40 = 3.400.000

 

 

160    +   40

 

+ Chi phí nhân công  trực tiếp của sản phẩm dở dang cuối kỳ:

 

CPSPDDCK

 

 

=

 

 

124.000 + 5.276.000

 

 

x

 

 

(40*0.5) =600.000

 

 

160    +   (40 x 0.5)

 

+ Chi phí sản xuất chung :

 

CPSPDDCK

 

 

=

 

 

186.000 +  6.114.000

 

 

x

 

 

(40 * 0.5)  = 700.000

 

 

160    +   (40 x 0.5)

 

Cộng       = 4.700.000 đ

3. Phương pháp đánh giá theo chi phí định mức (kế hoạch)

Theo PP này kế toán căn cứ khối lượng sản phẩm dở dang và chi phí sản xuất định mức cho 1 đơn vị sản phẩm ở từng giai đoạn để tính ra chi phí của sản phẩm dở dang cuối kỳ.

Ví dụ 3:

Có số liệu về sản phẩm A như sau:

Chi phí sản xuất định mức cho 1 đơn vị sp như sau:

+ CP nguyên vật liệu trực tiếp :12.000 đ

+ CP nhân công trực tiếp : 2.500 đ

+ CP sản xuất chung : 1.500 đ

Kết quả sản xuất trong tháng: hoàn thành 60 thành phẩm, còn lại 10 SPDD, mức độ hoàn thành 50%

Kế toán tính chi phí của sản phẩm dở dang cuối kỳ như sau:

+ CP NVL trực tiếp trong sản phẩm dở dang       : 12.000 * 10 = 120.000

+ CP nhân công trực tiếp : 2.500*(10*0,5)=12.500

+ CP sản xuất chung : 1.500*(10*0,5)=7.500

Để thuận tiện hơn trong việc tính giá thành sản phẩm, các doanh nghiệp hiện nay ưu tiên sử dụng các phần mềm. Một mình chứng điển hình là bài toán giá thành vô cùng đặc thù tại Công ty Công nông nghiệ Tiến Nông đã phần mềm BRAVO đã giải quyết tối ưu. Chi tiết về phương án giải quyết mời bạn đọc xem tại đây.

>>> Xem thêm các tính năng ưu việt của phần mềm quản lý sản xuất – Tính giá thành của BRAVO.

>>> Thủ thuật tính giá thành đơn giản - hiệu quả nhất.

Bắp Ngô

News

Tin tức liên quan

    tư vấn khách hàng